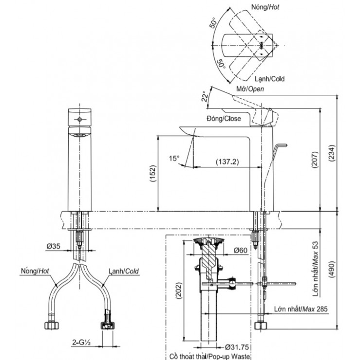
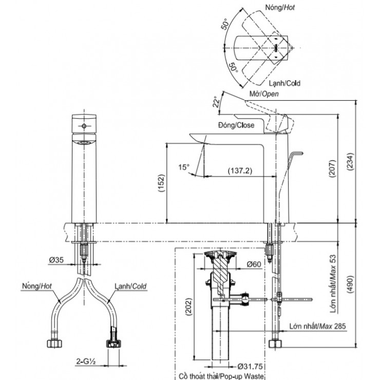
Thông số kỹ thuật vòi chậu gật gù TOTO TLG02304V GR nóng lạnh
(bao gồm bộ xả, không gồm ống thải chữ P)
- Áp lực nước: 0.05MPa ~ 0.75MPa
- Lớp mạ: Nickel Chrome
- Kiểu vòi sử dụng cho các chậu bán âm
- Có thể sử dụng kèm co chữ P TVLF401
- Xuất xứ : Việt Nam
Tính năng vòi lavabo TOTO TLG02304 V
- Thiết kế hiện đại hài hòa với dòng sản phẩm GR Series
- Lớp mạ bền vững với thời gian
- Thân van bằng đồng thau
- Van đĩa bằng sứ chống bám cặn bẩn giúp khóa nước hoàn toàn
Bản vẽ kỹ thuật vòi chậu rửa mặt TOTO TLG 02304V


